usb3.0u盤_小編教你usb3.0/2.0有啥區別
- 分類:U盤教程 回答于: 2018年03月15日 11:55:15
U盤的品牌有很多,U盤的比較常見的就是usb3.0跟usb2.0的U盤,那么usb3.0U盤跟usb2.0的U盤有什么區別呢?速度怎么樣?
都說usb3.0的U盤傳輸速度快,那么怎么判斷U盤是不是usb3.0的U盤呢?小編這里給大家介紹一下usb3.0跟usb2.0的U盤的區別,希望對你有所幫助。
1、從usb接口的外觀上看,USB2.0通常是白色或黑色,而USB3.0則是的藍色接口。

usb2.0圖-1
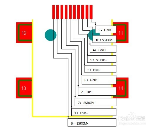
2、從USB插口引腳上來看,USB2.0采用4針腳設計,而USB3.0則采取9針腳設計,相比而言USB3.0功能更強大。

usb3.0圖-2
3、從USB公口的外觀上來看,USB3.0接口部分標記有“SS”樣式,USB2.0則只標記普通的USB通用標識。

usb2.0圖-3
4、另外在電腦的接口處也有分usb3.0和usb2.0接口,usb3.0的U盤插在usb3.0的接口才能充分發揮其作用。

U盤圖-4
5、usb3.0與usb2.0的傳輸速度有很大的差距,理論值:USB 3.0的傳輸速度是4.8Gbps,是USB 2.0的10倍。即4.8Gbps=600MB/S。

U盤圖-5
有用
26
小白系統
微信好友
朋友圈
QQ好友
QQ空間
新浪微博
復制鏈接
1000
1000
1000
1000
1000
1000
1000
1000
1000
1000猜您喜歡
- 教你如何不用u盤重裝系統win10..2021/09/03
- 小編教你uefi安裝系統如何操作..2017/08/25
- u盤啟動盤怎么裝系統win102022/11/10
- 大白菜官網一鍵u盤裝系統步驟..2022/12/25
- u盤啟動電腦無反應,小編教你電腦插上U..2017/12/19
- u盤系統盤如何制作2022/05/13
相關推薦
- 詳解筆記本用u盤重裝系統步驟..2023/04/08
- u盤安裝win7教程2023/04/12
- 電腦不顯示u盤盤符解決方案..2019/08/09
- u盤損壞怎么修復2021/10/21
- u盤重裝系統win7教程(小白官網教程)..2021/12/04
- 無法格式化u盤,小編教你如何將U盤恢復..2018/03/16




